ВЕНТИЛЯТОРЫ ОСЕВЫЕ СУШИЛЬНЫХ КАМЕР
Вентилятор осевой ВО 4-Р3
Вентилятор осевой ВО 6-Р6
Вентилятор осевой ВО 8-Р6
Вентилятор осевой ВО 8-Р8
| Обозначение вентилятора | Производительность, м³/час | Полное давление, Па | Мощность двигателя, кВт | Частота вращения, об/мин | Масса, кг |
| ВО 4-Р3 | 5 000-8 000 | 120-240 | 1,1 | 2880 | 35 |
| ВО 6-Р6 | 10 000-16 000 | 200-350 | 1,5 | 1450 | 60 |
| ВО 8-Р6 | 12 000-22 000 | 220-420 | 2,2 | 1450 | 76 |
| ВО 8-Р8 | 14 000-26 000 | 250-450 | 3,0 | 1450 | 80 |
Монтаж вентиляторной панели на обьекте. Черниговская обл., февраль 2018г.
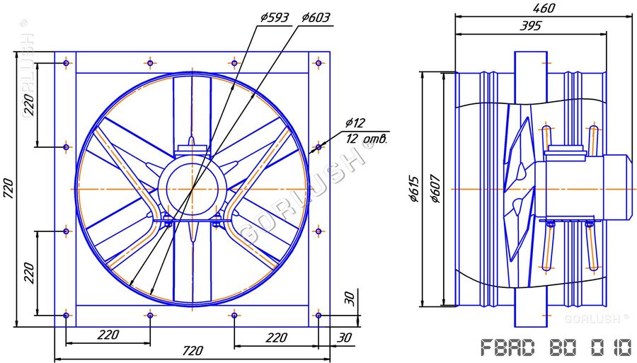
Вентилятор осевой ВО 6
Габаритные и присоединительные размеры.
Вентилятор осевой ВО 8
Габаритные и присоединительные размеры.
Вентиляторные панели смонтированные нами.
Вентиляторы осевые ВО 6-Р6 и ВО 8-Р8.
Монтаж вентиляторной панели на обьекте. Черниговская обл., февраль 2018г.
Балансировочный участок.
Крыльчатки.
Отгрузка продукции.